Circuit Diagram Of Centre Tap Rectifier Full-wave Center-tap
Rectifier wave tapped full center circuit diagram operation its contents Rectifier tapped Full-wave center-tapped rectifier tutorial
Full Wave Rectifier Circuit Diagram Ncert
Full-wave controlled center-tap rectifiers Rectifier center tap transformer fullwave wave full circuit voltage half load equivalent resistive during cycle positive figure Draw circuit diagram of a full wave rectifier
Rectifier tapped transformer diode output capacitor regulator
Center tapped full wave rectifier : circuit, working & applicationsRectifier wave full tap centre waveforms diagram circuit waves waveform circuits electronics Full wave rectifier op circuitCenter tapped full wave rectifier : circuit and applications.
Centre tap rectifier circuit 1Rectifier voltage waveform circuits ground Full wave rectifier circuit inst tools[view 34+] diode bridge schematic diagram.

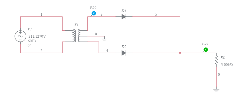
Center tapped full wave rectifier
Rectifier tappedRectifier tapped voltage inverse Center wave full controlled tap rectifier circuit load rl rectifiers current fwd voltage figureCircuit diagram of centre tap rectifier.
Center tapped full wave rectifier circuit diagramRectifier tapped transformer voltage diodes ppt load diode equations Difference between full wave bridge rectifier and full wave center tapRectifier rectifiers.
Solved centre tap rectifier: table:
Tap circuit transformer centre center rectifier multisimCenter-tapped full-wave rectifier operation -… Full rectifier circuit diagramFull wave rectifier circuit diagram ncert.
Centre tap full wave rectifier circuit operation,working,diagram,waveformRectifier tapped voltage peak Full wave rectifier circuit diagram ncertCenter tapped full wave rectifier.

Center tapped full wave rectifier
Centre tap full wave rectifier circuit diagram in 2021 circuitCentre tap full wave rectifier circuit operation,working,diagram,waveform Circuit diagram of centre tap rectifierFullwave center tap transformer rectifier.
Diode rectifier diagramCenter tap transformer circuit Full wave controlled rectifier circuit diagram[diagram] wiring diagram for rectifier and capacitor.

Center-tapped full-wave rectifier
Electronic circuitsDifference between centre tapped and bridge rectifier (with comparison .
.






